Kód ELFETEX
11.489.338
Profil AL 25/25mm PCA mléčný 1m komplet
Informace o produktu
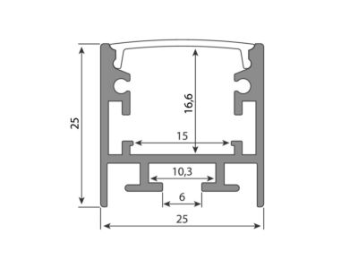
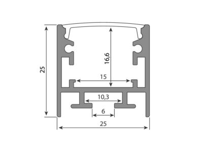
Přisazený hliníkový profil černý pro LED pásky, rozměry průřezu cca 25x25 mm. Součástí je mléčný difuzor, který lze do profilu nacvaknout. Tento profil je určen pro krytí a chlazení LED pásků do šíře 15 mm. Upevnění k podkladu lze provést pomocí montážních úchytů, vrutů, lepidel. K profilu lze zakoupit úchyty a koncovky.
- Značka MCLED
Příslušenství pro světelné hadice / pásy LED
- Typ příslušenství Profil
Ke stažení
Všechny obrázky


















