Kód ELFETEX
                                    11.522.270                                
                                            Hliníkový profil pro sádrokartony AR 1m
Informace o produktu
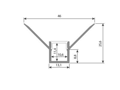
Sada hliníkového profilu pro sádrokarton pro LED pásky, rozměry průřezu cca 46x26 mm. Součástí je mléčný difuzor, který lze do profilu nacvaknout. Tento profil je určen pro krytí a chlazení LED pásků do šíře 10 mm. Upevnění k podkladu lze provést pomocí vrutů a lepidel. Součástí sady je i koncovka s otvorem a koncovka bez otvoru . Délka profilu s difuzorem je 1 m.
- Značka MCLED
                    Příslušenství pro světelné hadice / pásy LED                
                - Typ příslušenství Profil
Ke stažení
Všechny obrázky
 
                 
                 
                 
                
                                
















