Kód ELFETEX
11.522.249
Vestavný hliníkový profil VO 1m včetně m
Informace o produktu
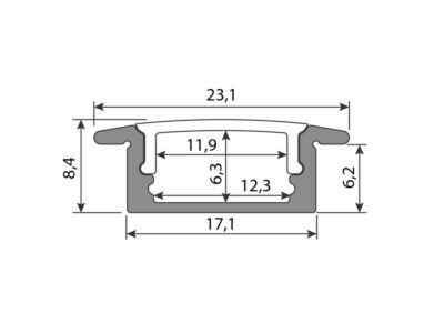
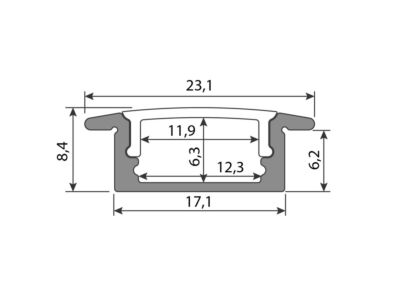
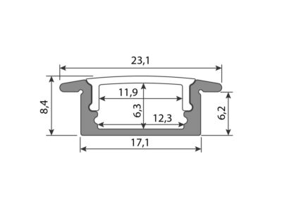
Sada vestavného hliníkového profilu pro LED pásky, rozměry průřezu cca 23x8 mm. Součástí je mléčný difuzor, který lze do profilu nacvaknout. Tento profil je určen pro krytí a chlazení LED pásků do šíře 12 mm. Upevnění k podkladu lze provést pomocí vrutů a lepidel. Součástí sady je i koncovka s otvorem a koncovka bez otvoru. Délka profilu s difuzorem je 1 m.
- Značka MCLED
Příslušenství pro světelné hadice / pásy LED
- Typ příslušenství Profil
Ke stažení
Všechny obrázky
















