Kód ELFETEX
10.163.826
MBJ 70-300-16 563470 Zemnici pletenec MB
Informace o produktu
Zemnící pletenec MBJ70-300-16, 563470
- Značka ERICO
Zemnící pásky
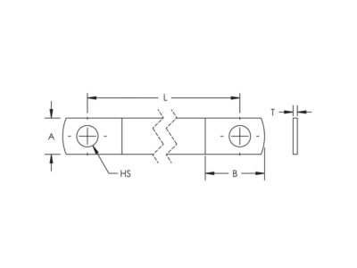
- Jmenovitý průřez vodiče 70.0 mm²
- Tvar vodiče / kabelu Plochý
- Materiál vodiče Měď
- Třída vodiče Třída 5 = flexibilní
- Kabel šířka cca 28.0 mm
- Kabel výška cca 3.4 mm
- Délka 300.0 mm
- Povrch vodiče Cínované
Ke stažení
Všechny obrázky



























