Kód ELFETEX
11.056.672
MBJ 50-300-18 563400 Zemnici pletenec MB
Informace o produktu
Zemnící pletenec MBJ50-300-18, 563400
- Značka ERICO
Zemnící pásky
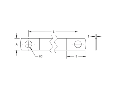
- Jmenovitý průřez vodiče 50.0 mm²
- Tvar vodiče / kabelu Plochý
- Materiál vodiče Měď
- Třída vodiče Třída 5 = flexibilní
- Kabel šířka cca 28.0 mm
- Kabel výška cca 2.5 mm
- Délka 300.0 mm
- Povrch vodiče Cínované
Ke stažení
Všechny obrázky



























