Kód ELFETEX
                                    11.137.447                                
                                            MBJ 100-250-16 563500
Informace o produktu
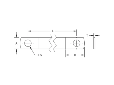
Zemnící pletenec MBJ100-250-16, 563500
- Značka ERICO
 
                    Zemnící pásky                
                - Jmenovitý průřez vodiče 100 mm²
 - Tvar vodiče / kabelu Plochý
 - Materiál vodiče Měď, pocínovaná
 - Třída vodiče Třída 5 = flexibilní
 - Kabel šířka cca 50 mm
 - Kabel výška cca 4 mm
 - Vnější průměr cca 50 mm
 
Ke stažení
Všechny obrázky
                
                


























