Kód ELFETEX
10.735.660
OBO BETTERMANN Základová deska, pro US 3 a 2068, variabilní, Nerez ocel, materiál 1.4307, A2, 1.4301 bez povrch. úpravy, dodatečně ošetřeno typ KU 3 V A2
Informace o produktu
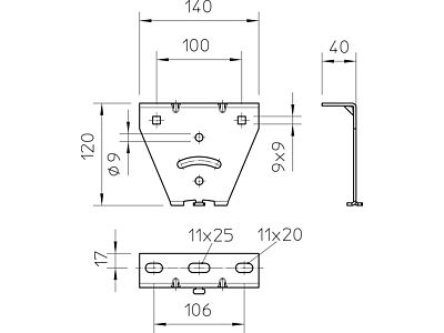
Základová deska pro montáž na profily US 3 a profilové lišty typu AML3518/AMS3518 a CML3518/CMS3518.
- Značka OBO BETTERMANN
Hlavice pro profilové lišty
- Provedení Deska šroubové hlavy
- Vhodné pro U-profil
- Povrchová úprava Ostatní, jiné
- Materiál Nerez
- Rozsah úhlu 90 - 90 °
- Určeno pro montáž na strop Ano
- Kvalita materiálu Nerezová ocel 304 (1.4301)
- Určeno pro upevnění na konzolu Ne
- Barva Nerez
Ke stažení
Všechny obrázky











