Kód ELFETEX
10.469.744
AGRO Kabelová vývodka EMC, pro vyšší teploty, mosazná, závit Pg9
Informace o produktu
Kabelová vývodka EMC, pro vyšší teploty, mosazná, závit Pg9
- Značka AGRO
Kabelové vývodky
- Typ závitu PG
- Rozměr závitu metricky / PG 9
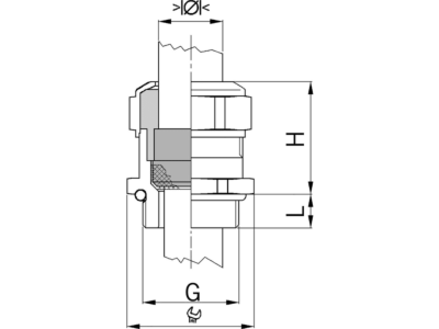
- Délka závitu 10 mm
- Rozměr nástrčného klíče 18 mm
- Pro kabely o průměru od / do 6 - 8 mm
- Materiál Kov
- Kvalita materiálu Mosaz
- Povrchová úprava Nikl
- Stupeň krytí (IP) IP68
- Nárazuvzdorný Ano
- Provedení Rovný
- Odlehčení tahu Ano
- Typ těsnění Těsnicí kroužek
- Rozsah provozních teplot -40 - 200 °C
Ke stažení
Všechny obrázky











