Kód ELFETEX
11.385.386
HSA-600/2+1 S IT
Recyklační poplatek vč. DPH
0,40 Kč
Informace o produktu
Svodiče rázového přepětí typu T2 zajišťují vyrovnávání potenciálů a omezují spínací, indukované a zbytkové přepětí v jednofázových a třífázových IT sítích. Výrobky jsou složeny z varistorů s velkou svodovou schopností v kombinaci s bleskojistkou zajišťující nulový průsakový proud ve vodiči PE. Instaluje se na rozhraní zón LPZ 1 – LPZ 3 do podružných rozvaděčů a ovládacích skříní. Označení S specifikuje provedení s dálkovou signalizací. Instaluje se dle norem: ČSN EN 62305 ed. 2, ČSN 33 2000-5-534 ed. 2, ČSN CLC/TS 61643-12.
- Značka HAKEL
Přepěťové svodiče pro systémy elektrického napájení
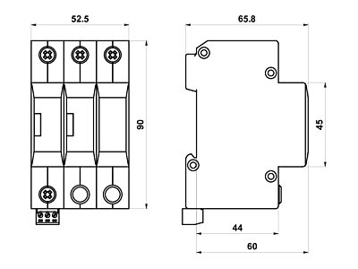
- Způsob montáže DIN lišta 35 mm
- S kontaktem pro dálkovou signalizaci Ano
- Počet vodičů (bez uzemnění) 3
- Montážní velikost 3 TE
- Stupeň ochrany 2.1 kV
- Max. trvalé napětí AC 600 V
- Jmenovitý svodový rázový proud (8/20) 15 kA
- Jmenovité napětí AC 500 V
- Testovací třída typ 2 Ano
- Ochranná úroveň L-N 2.1 kV
- Signalizace na zařízení Optický
- Stupeň krytí (IP) IP20
- Ochranný znak N-PE 1.5 kV
- Max.průměr neohebného vodiče (jedno/více žilový) 25 mm²
- Max.průměr ohebného vodiče (jemnožilového) 16 mm²
- Forma sítě IT Ano
- Max.odvozený zkratový proud ( 8/20 ) 40 kA
- Odolnost proti zkratu ( Isccr ) 60 kA
Ke stažení
Všechny obrázky











