Používáte webový prohlížeč Internet Explorer 11, který již není podporován. Naše stránky se proto nemusejí správně načítat.
Your company account is blocked and you cannot place orders. If you have questions, please contact your company administrator.

Hliníkový profil pro obklady a dlažbu DE

Obrázek je pouze ilustrativní.

Hliníkový profil pro obklady a dlažbu DE

Značka
MCLED
Kód ELFETEX
11.519.786
EAN
8595607144896
Kód výrobce
ML-761.330.05.2

Informace o produktu

Ke stažení

Informace o produktu

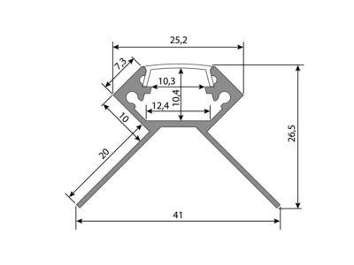
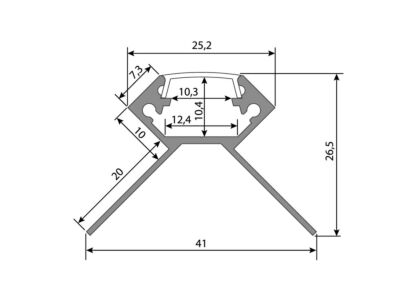
Hliníkový profil pro obklady a dlažbu pro LED pásky, rozměry průřezu cca 41x27mm. Součástí je mléčný difuzor, který lze do profilu nacvaknout. Tento profil je určen pro krytí a chlazení LED pásků do šíře až 12mm a výkonu max. 19,2W/m. Profil lze upevnit pomocí vrutů nebo lepidla. K profilu lze zakoupit také koncovky.
  • Značka MCLED
Příslušenství pro světelné hadice / pásy LED
  • Typ příslušenství Profil

Ke stažení

Technické dokumenty

Všechny obrázky

Podobné produkty