Kód ELFETEX
10.566.273
HLA50-255/4+0
Recyklační poplatek vč. DPH
1,22 Kč
Informace o produktu
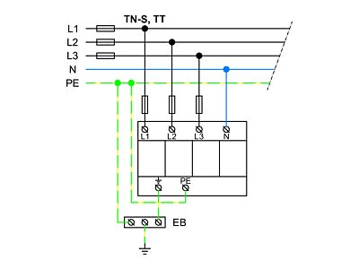
Svodiče impulzních proudů typu T1 zajišťují vyrovnávání potenciálů a eliminují účinky bleskového proudu v jednofázových a třífázových sítích. Ve výrobcích je použito vícenásobné bezvýfukové jiskřiště, díky čemuž jsou schopny svést impulz bleskového proudu nejvyšších hodnot. Vhodné pro objekty s uvažovanou hladinou ochrany LPL I a LPL II jako jsou velké průmyslové celky a objekty zvláštní důležitosti – nemocnice, banky, elektrárny. Instalují se co nejblíže vstupu nadzemního vedení do objektu – trafostanic, elektroměrových a hlavních rozvaděčů. Pokud výrobek obsahuje dvě svorky PE (resp. PEN), nesmí být použity jako můstek PE (PEN). Označení LED specifikuje provedení s LED indikací stavu. Označení S specifikuje provedení s dálkovou signalizací spolu s LED indikací stavu. Instaluje se dle norem: ČSN EN 62305 ed. 2, ČSN 33 2000-5-534 ed. 2, ČSN CLC/TS 61643-12.
- Značka HAKEL
Svodiče bleskových proudů typ 1 (ochrana napájecí sítě)
- Forma sítě TN-S Ano
- Max. trvalé napětí AC 255 V
- Jmenovité napětí AC 230 V
- Stupeň ochrany 2 kV
- Montážní velikost 8 TE
- Signalizace na zařízení Bez
- Způsob montáže DIN lišta 35 mm
- Bleskový impulsní proud (10/350) 50 kA
- Počet vodičů (bez uzemnění) 4
- Vyfukovací Ano
- Zhášecí schopnost následného proudu 25 kA
- Jmenovitý svodový rázový proud (8/20) 50 kA
- Testovací třída typ 1 Ano
- Stupeň krytí (IP) IP20
- Max.průměr neohebného vodiče (jedno/více žilový) 25 mm²
- Max.průměr ohebného vodiče (jemnožilového) 16 mm²
- Specifická energie (W/R) 625 kJ/Ohm
Ke stažení
Všechny obrázky


