Kód ELFETEX
10.471.014
HAKEL Tlumivka HI80
Recyklační poplatek vč. DPH
0,50 Kč
Informace o produktu
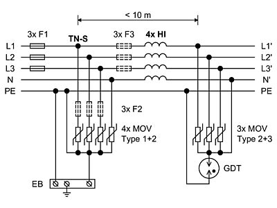
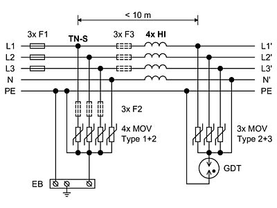
Zabezpečují tzv. energetickou koordinaci mezi svodiči typu T1 a T2, ev. mezi svodiči typu T2 a T3 tam, kde není mezi nimi zajištěna dostatečná vzdálenost. Při nedodržení energetické koordinace ochran existuje možnost poškození svodiče navazujícího stupně ochranné kaskády nadměrnou energií procházejícího impulzu. Jestliže mezi dvěma následnými stupni je alespoň 5 m vedení (týká se případů kdy dva následné stupně ochrany jsou ve dvou rozvaděčích), je možno rázovou oddělovací tlumivku vynechat. Instaluje se dle norem: ČSN EN 62305 ed. 2, ČSN CLC/TS 61643-12.
- Značka HAKEL
Oddělovací cívky pro vnitřní ochranu před bleskem
- Způsob montáže DIN lišta 35 mm
- Montážní velikost 2 TE
- Jmenovitá indukčnost 4 µH
- Jmenovitý proud zátěže 80 A
- Jmenovité napětí AC 500 V
- Max.průměr neohebného vodiče (jedno/více žilový) 35 mm²
- Max.průměr ohebného vodiče (jemnožilového) 25 mm²
Ke stažení
Všechny obrázky











