HAKEL Svodič HSAF10
Informace o produktu
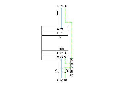
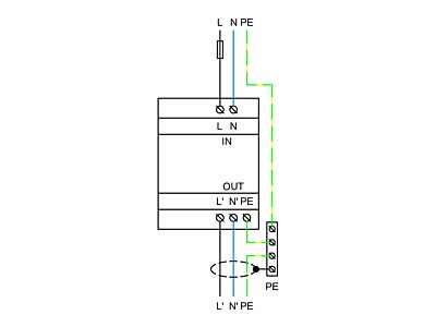
HSAF10 ( Hakel Surge Arrester Filter) řady „ G-line“ je dvoustupňový svodič přepětí. Mezi tyto dva stupně je integrován vysokofrekvenční filtr. HSAF10 řady „G-line“ obsahuje vylepšenou tepelnou pojistku, která při přehřátí varistoru zaručí včasné odpojení HSAF10 od napájecí sítě a tím zabrání poškození HSAF10. Aktivace tepelné pojistky je signalizována integrovanou světelnou indikací. Použitím nové konstrukce tepelné pojistky je ochranná napěťová úroveň o 100 V nižší než předešlá série vyráběných filtrů.HSAF10 je dvoubranový svodič přepětí typu T3, který je testován podle normy ČSN EN 61643-11 ed.2 (IEC 61643-11:2011) a ČSN EN 55017 (CISPR 17:2011). Dle normy ČSN EN 62305 ed.2 (IEC 62305:2010) se instaluje na rozhraní zón LPZ 2 – LPZ 3, kde omezuje indukované přepětí a zbytkové přepětí v silových vedeních. HSAF10 se instalují na DIN lištu 35 mm pomocí kovové spony.
- Značka HAKEL
- Způsob montáže DIN lišta 35 mm
- Počet pólů 2
- Stupeň ochrany 0.75 kV
- Max. trvalé napětí AC 275 V
- Jmenovitý svodový rázový proud (8/20) (L + N-PE) 6
- Jmenovitý svodový rázový proud (8/20) (L-N) 3
- Jmenovitý proud zátěže 10
- Jmenovité napětí AC 230 V
- Testovací třída typ 3 Ano
- Ochranná úroveň L-N 0.75
- Ochranná úroveň L-PE/N-PE 1.5
- Signalizace na zařízení Optický
- Stupeň krytí (IP) IP20
- S odrušovacím filtrem Ano
- Max.průměr neohebného vodiče (jedno/více žilový) 6 mm²
- Max.průměr ohebného vodiče (jemnožilového) 4 mm²
Ke stažení
Všechny obrázky











