Kód ELFETEX
10.032.610
HSAF16/30VDC S
Recyklační poplatek vč. DPH
0,24 Kč
Informace o produktu
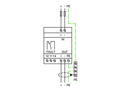
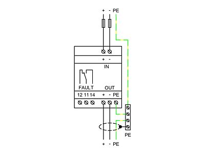
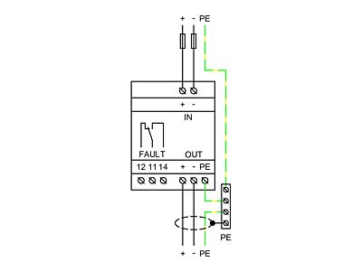
Dvoubranové svodiče přepětí typu T3 s vysokofrekvenčním filtrem pro sériové zapojení. Určeny pro ochranu elektronických zařízení proti účinkům spínacích, indukovaných a zbytkových přepětí v stejnosměrných sítích. Obsahují vylepšenou tepelnou pojistku, která při přehřátí varistoru zaručí včasné odpojení HSAF*VDC S od napájecí sítě a tím zabrání poškození HSAF*VDC S. Instalují se na rozhraní zón LPZ 2 – LPZ 3, co nejblíže k chráněnému zařízení (max. 5 m). Před HSAF*VDC S musí být instalován svodič bleskových proudů a přepětí T1 a T2 od společnosti HAKEL. Označení S specifikuje provedení s dálkovou signalizací. Instaluje se dle norem: ČSN EN 62305 ed. 2, ČSN 33 2000-5-534 ed. 2, ČSN CLC/TS 61643-12.
- Značka HAKEL
Přepěťové ochrany přístrojů pro systémy el. napájení
- Způsob montáže DIN lišta 35 mm
- S kontaktem pro dálkovou signalizaci Ano
- Stupeň ochrany 0.4 kV
- Jmenovitý svodový rázový proud (8/20) (L + N-PE) 4 kA
- Jmenovitý svodový rázový proud (8/20) (L-N) 2 kA
- Jmenovitý proud zátěže 16 A
- Jmenovité napětí DC 30 V
- Testovací třída typ 3 Ano
- Ochranná úroveň L-N 0.4 kV
- Ochranná úroveň L-PE/N-PE 0.3 kV
- Signalizace na zařízení Optický
- Max. trvalé napětí DC 36 V
- Stupeň krytí (IP) IP20
- S odrušovacím filtrem Ano
- Max.průměr neohebného vodiče (jedno/více žilový) 6 mm²
- Max.průměr ohebného vodiče (jemnožilového) 4 mm²
Ke stažení
Všechny obrázky











