Kód ELFETEX
11.385.386
HSA-385/4+0 M
Recyklační poplatek vč. DPH
0,58 Kč
Informace o produktu
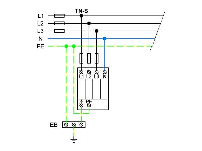
Svodiče rázového přepětí typu T2+T3 zajišťují vyrovnávání potenciálů a omezují spínací, indukované a zbytkové přepětí v sítích nn. Výrobky jsou složeny z varistorů s velkou svodovou schopností. V provedení 1+1 a 3+1 jsou navíc v kombinaci s bleskojistkou, která zajišťuje nulový průsakový proud vodičem PE. Instalují se na rozhraní zón LPZ 1 – LPZ 3 do podružných rozvaděčů a ovládacích skříní. Pokud výrobek obsahuje dvě svorky PE (resp. PEN), nesmí být použity jako můstek PE (PEN). Označení M specifikuje konstrukční provedení s výměnným modulem. Označení S specifikuje provedení s dálkovou signalizací. Instaluje se dle norem: ČSN EN 62305 ed. 2, ČSN 33 2000-5-534 ed. 2, ČSN CLC/TS 61643-12.
- Značka HAKEL
Přepěťové svodiče pro systémy elektrického napájení
- Způsob montáže DIN lišta 35 mm
- Počet vodičů (bez uzemnění) 4
- Montážní velikost 4 TE
- Stupeň ochrany 1.55 kV
- Max. trvalé napětí AC 385 V
- Jmenovitý svodový rázový proud (8/20) 15 kA
- Jmenovité napětí AC 230 V
- Testovací třída typ 2 Ano
- Signalizace na zařízení Optický
- Stupeň krytí (IP) IP20
- Max.průměr neohebného vodiče (jedno/více žilový) 25 mm²
- Max.průměr ohebného vodiče (jemnožilového) 16 mm²
- Forma sítě TN-S Ano
- Forma sítě TN-C-S Ano
- Max.odvozený zkratový proud ( 8/20 ) 40 kA
- Odolnost proti zkratu ( Isccr ) 60 kA
Ke stažení
Všechny obrázky











