HSA-320/4+0 M S
Informace o produktu
- Značka HAKEL
- Způsob montáže DIN lišta 35 mm
- S kontaktem pro dálkovou signalizaci Ano
- Počet vodičů (bez uzemnění) 4
- Montážní velikost 4 TE
- Stupeň ochrany 1.4 kV
- Max. trvalé napětí AC 320 V
- Jmenovitý svodový rázový proud (8/20) 20 kA
- Jmenovité napětí AC 230 V
- Testovací třída typ 2 Ano
- Signalizace na zařízení Optický
- Stupeň krytí (IP) IP20
- Max.průměr neohebného vodiče (jedno/více žilový) 25 mm²
- Max.průměr ohebného vodiče (jemnožilového) 16 mm²
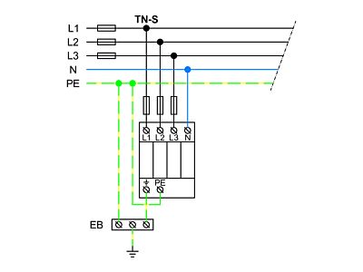
- Forma sítě TN-S Ano
- Forma sítě TN-C-S Ano
- Max.odvozený zkratový proud ( 8/20 ) 50 kA
- Odolnost proti zkratu ( Isccr ) 60 kA
Ke stažení
Všechny obrázky











