Kód ELFETEX
10.566.273
HLSA12,5-320/4+0
Recyklační poplatek vč. DPH
0,75 Kč
Informace o produktu
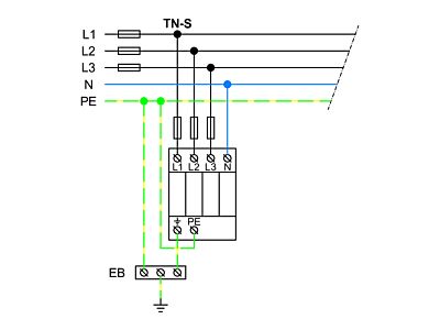
Svodiče impulzních proudů a rázového přepětí typu T1+T2 zajišťují vyrovnávání potenciálů a eliminují účinky bleskového proudu a omezují spínací, indukované a zbytkové přepětí v jednofázových a třífázových sítích. Vhodné pro objekty s uvažovanou hladinou ochrany LPL III a LPL IV jako jsou menší administrativní budovy, obytné domy, rodinné domky či objekty a haly bez výskytu osob a vnitřního vybavení. Instalují se na rozhraní zón LPZ 0 – LPZ 1 a vyšší, co nejblíže vstupu kabelového vedení do objektu – hlavních rozvaděčů. Výrobky jsou složeny z varistorů s velkou svodovou schopností. V provedení 1+1 a 3+1 jsou navíc v kombinaci s bleskojistkou, která zajišťuje nulový průsakový proud vodičem PE. Pokud výrobek obsahuje dvě svorky PE (resp. PEN), nesmí být použity jako můstek PE (PEN). Označení S specifikuje provedení s dálkovou signalizací. Instaluje se dle norem: ČSN EN 62305 ed. 2, ČSN 33 2000-5-534 ed. 2, ČSN CLC/TS 61643-12.
- Značka HAKEL
Kombinované svodiče typ 1
- Způsob montáže DIN lišta 35 mm
- Bleskový impulsní proud (10/350) 12.5 kA
- Počet pólů 4
- Montážní velikost 4 TE
- Stupeň ochrany 1.25 kV
- Vyfukovací Ano
- Max. trvalé napětí AC 320 V
- Jmenovité napětí AC 230 V
- Testovací třída Typ 1 a 2
- Signalizace na zařízení Optický
- Stupeň krytí (IP) IP20
- Max.průměr neohebného vodiče (jedno/více žilový) 25 mm²
- Max.průměr ohebného vodiče (jemnožilového) 16 mm²
- Specifická energie (W/R) 39 kJ/Ohm
- Forma sítě TN-S Ano
- Forma sítě TN-C-S Ano
Ke stažení
Všechny obrázky











