Kód ELFETEX
10.163.631
ERICO Pletenec MBJ 16-200-6 563300 zemnící
Informace o produktu
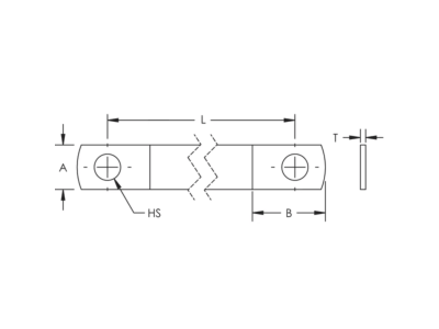
Zemnící pletenec MBJ16-200-6, 563000
- Značka ERICO
Zemnící pásky
- Jmenovitý průřez vodiče 16.0 mm²
- Tvar vodiče / kabelu Plochý
- Materiál vodiče Měď
- Třída vodiče Třída 5 = flexibilní
- Kabel šířka cca 15.0 mm
- Kabel výška cca 1.5 mm
- Délka 200.0 mm
- Povrch vodiče Cínované
Ke stažení
Všechny obrázky



























