Kód ELFETEX
10.163.778
ERICO Pletenec MBJ 16-150-8 556630 zemnící
Informace o produktu
Zemnící pletenec MBJ16-150-8, 556630
- Značka ERICO
Zemnící pásky
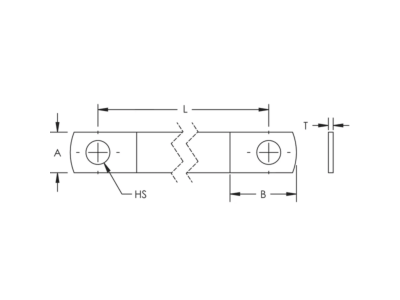
- Jmenovitý průřez vodiče 16.0 mm²
- Tvar vodiče / kabelu Plochý
- Materiál vodiče Měď
- Třída vodiče Třída 5 = flexibilní
- Kabel šířka cca 15.0 mm
- Kabel výška cca 1.5 mm
- Délka 150.0 mm
- Povrch vodiče Cínované
Ke stažení
Všechny obrázky



























