Kód ELFETEX
10.163.631
ERICO Lanko MBJ 6-150-6 556600
Informace o produktu
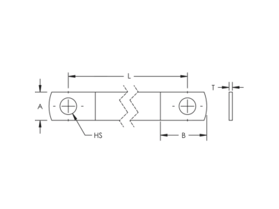
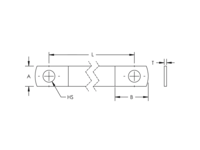
Zemnící pletenec MBJ6-150-6, 556600
- Značka ERICO
Zemnící pásky
- Jmenovitý průřez vodiče 6.0 mm²
- Tvar vodiče / kabelu Plochý
- Materiál vodiče Měď
- Třída vodiče Třída 5 = flexibilní
- Kabel šířka cca 11.0 mm
- Kabel výška cca 1.1 mm
- Délka 150.0 mm
- Povrch vodiče Cínované
Ke stažení
Všechny obrázky


























