Kód ELFETEX
11.088.259
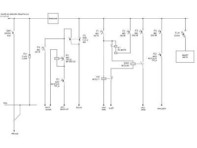
DAMIJA Rozvaděč RFVE-AC-E2 pro FVE
Recyklační poplatek vč. DPH
4,84 Kč
Informace o produktu
Konfigurace osazeného rozvaděče RFVE-AC-E2:
- Přepínač sítí 1-0-2 BX9G 40A 4P: 1 ks
- Hlavní vypínač EBS9G, 40A, 3-pólový: 1 ks
- Elektroměr DTS238-4BR 3F 10/100A 230V: 1 ks
- Jistič HBS, 10kA, B, 3-pólový, 20A: 2 ks
- Jistič HBS, 10kA, C, 3-pólový, 16A: 1 ks
- Proudový chránič AUR3, 40A,30mA,3P+N,10kA,typ A: 2 ks
- Stykač MC 1M 25A 230V AC 1NO+1NC: 1 ks
- Stykač MC 2M 25A 230V AC 4NO: 1 ks
- Jistič HBS, 10kA, B, 3-pólový, 6A: 1 ks
- Vypínací spoušť MX-EBS1ZG 1P pro EBS1ZG: 1 ks
- Svodič přepětí PPO12,5 třída T1+T2 3P 12,5kA (B+C): 1 ks
- Monitorovací napěťové relé RS-MV37N 3F 8A 250V: 1 ks
- Jistič HBS, 10kA, B, 1-pólový, 2A: 1 ks
- Jistič HBS, 10kA, B, 1-pólový, 2A: 1 ks
- RAC 2NMW smartmetr není součástí dodávky
- Značka DAMIJA
Malé rozvaděče osazené
- Způsob montáže Povrchová montáž
- Šířka 822 mm
- Výška 448 mm
- Hloubka 161 mm
- Uzamykatelný Ano
- S průhledným víkem Ano
- Šířka vyjádřená počtem modulárních jednotek 18
- Vestavné hloubky 89 - 89 mm
- Stupeň krytí (IP) IP65
- Počet kombinací proudový chránič / jističů vedení 6
- Počet proudových jističů 30 mA 2
- Jmenovitý proud hlavního vypínače 40 A
Ke stažení
Všechny obrázky











