Kód ELFETEX
10.068.471
BALS Zásuvka vest.32/4/500
Informace o produktu
CEE zásuvka vestavná přímá, Quick-Connect
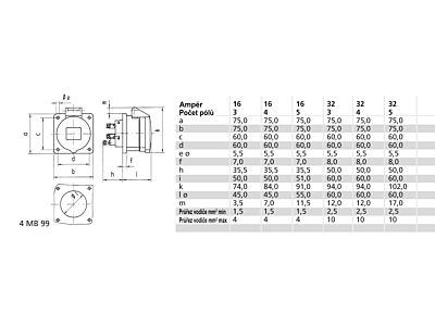
32A 4p (3P+PE) 500V (480 do 500V~) 7 h IP44
frekvence: 50 a 60Hz
kód barvy: černá RAL 9005
kontakty: nosič kontaktů je vyroben z polyamidu, kontakty jsou vyrobeny z mosazi
maximální průřez vodiče: 10,0 mm2
materiál krytu: polyamid
způsob připojení: bezšroubové pružinové klecové svorky
barva: víčko sklopné černé, kryt šedý
rozměry: výška 90 mm, šířka 75 mm, hloubka 109 mm
rozměr příruby: svisle 75 mm, vodorovně 75 mm
rozteč montážních otvorů: vodorovně 60 mm, svisle 60 mm
další technické vlastnosti:
bezšroubové připojení vodičů QUICK-CONNECT je ověřený, trvanlivý, bezpečný a zcela bezúdržbový systém odolný proti nárazům, vibracím a výkyvům teplot. QUICK-CONNECT s optimálně nastaveným přítlakem svorky na připojovaný vodič zcela eliminuje nedostatky šroubových spojení (možnost přetažení, nebo nedotažení šroubků, slaněné vodiče není třeba ukončovat dutinkami)
barevné označení vstupů, pro správné zapojení jednotlivých vodičů (dodržení sledu fází u třífázové elektrické soustavy)
- Značka BALS
Vestavné zásuvky CEE
- Proud IEC 32 A
- Napětí podle ČSN EN 60309-2 500 V (50 Hz 60) černá
- Počet pólů 4
- Pozice na hodinách 7 h
- Barevný kód, Identifikační barva Černá
- číslo RAL 9005
- Stupeň krytí (IP) IP44
- Technologie propojení Bezšroubová svorka bezzávitová
- Směr propojení Rovný
- Materiál dutinky Plast
- Vertikální rozměr příruby 75 mm
- Vertikální odstup vrtacího otvoru 60 mm
- Horizontální rozměr příruby 75 mm
- Horizontální odstup vrtacího otvoru 60 mm
- Vojenský model Ne
Všechny obrázky













