Kód ELFETEX
10.579.962
BALS Zásuvka 13100 63A 4P/400V IP67
Informace o produktu
CEE zásuvka vestavná přímá
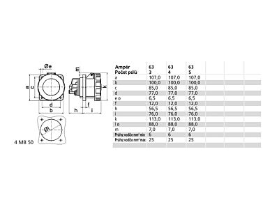
63A 4p (3P+PE) 400V (380 do 415V~) 6h IP67
frekvence: 50 a 60Hz
kód barvy: červená RAL 3000
kontakty: nosič kontaktů je vyroben z materiálu odolného vůči vysokým teplotám, kontakty jsou vyrobeny z mosazi, povrch kontaktů je poniklovaný
maximální průřez vodiče: 25,0 mm2
materiál krytu: polyamid
způsob připojení: šroubová rámová svorka
barva: víčko sklopné červené, bajonetový uzávěr šedý, kryt šedý
rozměry: výška 114 mm, šířka 111 mm, hloubka 133 mm
rozměr příruby: svisle 107 mm, vodorovně 100 mm
rozteč montážních otvorů: vodorovně 85 mm, svisle 77 mm
- Značka BALS
Vestavné zásuvky CEE
- Proud IEC 63 A
- Napětí podle ČSN EN 60309-2 400 V (50 Hz 60) červená
- Počet pólů 4
- Pozice na hodinách 6 h
- Barevný kód, Identifikační barva Červená
- číslo RAL 3000
- Stupeň krytí (IP) IP67
- Technologie propojení Šroubovací svorka
- Směr propojení Rovný
- Materiál Plast
- Vertikální rozměr příruby 107 mm
- Vertikální odstup vrtacího otvoru 85 mm
- Horizontální rozměr příruby 100 mm
- Horizontální odstup vrtacího otvoru 77 mm
- Vojenský model Ne
Všechny obrázky















