Kód ELFETEX
10.079.606
BALS Zásuvka 11906 16A 5P/400V
Informace o produktu
CEE zásuvka nástěnná, Quick-Connect
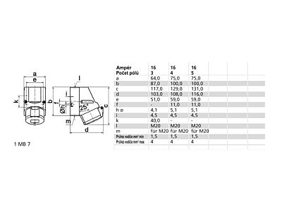
16A 5p (3P+N+PE) 400V (200/346 do 240/415V~) 6h IP44
frekvence: 50 a 60Hz
kód barvy: červená RAL 3000
rozměr krytu: výška 100 mm, šířka 75 mm
kontakty: nosič kontaktů je vyroben z polyamidu, kontakty jsou vyrobeny z mosazi
maximální průřez vodiče: 4,0 mm2
materiál krytu: polyamid
systém připojení: bezšroubové pružinové klecové svorky
přívod kabelu: vrchní vstup M20
barva: límec červený, víčko sklopné červené, spodní část pouzdra šedá, horní část pouzdra šedá
rozměry: výška 131 mm, šířka 75 mm, hloubka 116 mm
další technické vlastnosti:
vstup pro kabel 1x nahoře otevřený, 1x dole uzavřený, 1x vzadu uzavřený, spodní část pouzdra je možno otočit o 180°
bezšroubové připojení vodičů QUICK-CONNECT je ověřený, trvanlivý, bezpečný a zcela bezúdržbový systém odolný proti nárazům, vibracím a výkyvům teplot. QUICK-CONNECT s optimálně nastaveným přítlakem svorky na připojovaný vodič zcela eliminuje nedostatky šroubových spojení (možnost přetažení, nebo nedotažení šroubků, slaněné vodiče není třeba ukončovat dutinkami)
barevné označení vstupů, pro správné zapojení jednotlivých vodičů (dodržení sledu fází u třífázové elektrické soustavy)
- Značka BALS
Zásuvky CEE
- Provedení Povrchová montáž
- Proud IEC 16 A
- Počet pólů 5
- Napětí podle ČSN EN 60309-2 400 V (50 Hz 60) červená
- Pozice na hodinách 6 h
- Barevný kód, Identifikační barva Červená
- číslo RAL 3000
- Stupeň krytí (IP) IP44
- Technologie propojení Bezšroubová svorka bezzávitová
- Kabelová průchodka Šroubení
- Materiál dutinky Plast
- Typ upevnění Vnitřní montáž
- Izolovaná montáž Ano
- Vojenský model Ne
Všechny obrázky

















