BALLUFF Snímač BES M08ED-PSC40F-BP02 indukční
Informace o produktu
Popis výrobku
Naše indukční snímače ve standardním provedení jsou ideálně vhodné pro detekci objektů v oblasti kovů. Jsou odolné vůči zkratu a pracují bezdotykově, to znamená, že nepodléhají opotřebení a nejsou citlivé na znečištění. Snímače dodáváme v provedeních od Ø 3 mm do kvádru o rozměrech 80 × 80 mm.
Zvláště hospodárná řešení vám umožní robustní a spolehlivé indukční snímače řady Global. Širokou paletu těchto více než 500 preferovaných provedení můžeme dodat po celém světě v krátkých lhůtách také ve vysokých počtech kusů.
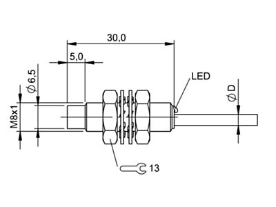
Parametry
- Rozměr: Ø 8 × 30 mm
- Tvar: M8 × 1
- Montáž: nelícující
- Dosah: 4 mm
- Spínací výstup: PNP spínací kontakt (NO)
- Spínací frekvence: 4 000 Hz
- Materiál pouzdra: Ušlechtilá ocel
- Aktivní plocha, materiál: PBT
- Připojení: Kabel, 2,00 m, PUR
- Provozní napětí Ub: 10–30 V DC
- Teplota prostředí: -25...70 °C, Posun teploty max. (% Sr) > 15 % platí v rozsahu 50 až 70 °C
- Krytí: IP 68
- Schválení/konformita: CE, cULus, EAC, WEEE
- Značka BALLUFF
- Druh napětí DC
- Četnost spínání 4 Hz
- Spínací vzdálenost 4 mm
- Typ spínacího výstupu PNP
- Rozsah napájecího napětí 10–30 V
- Průměr čidla 8 mm
- Délka snímače 30 mm
Ke stažení
Všechny obrázky











