BALLUFF Snímač BES 516-356-E5-C-S4 indukční
Informace o produktu
Popis výrobku
Naše indukční snímače ve standardním provedení jsou ideálně vhodné pro detekci objektů v oblasti kovů. Jsou odolné vůči zkratu a pracují bezdotykově, to znamená, že nepodléhají opotřebení a nejsou citlivé na znečištění. Snímače dodáváme v provedeních od Ø 3 mm do kvádru o rozměrech 80 × 80 mm.
Zvláště hospodárná řešení vám umožní robustní a spolehlivé indukční snímače řady Global. Širokou paletu těchto více než 500 preferovaných provedení můžeme dodat po celém světě v krátkých lhůtách také ve vysokých počtech kusů.
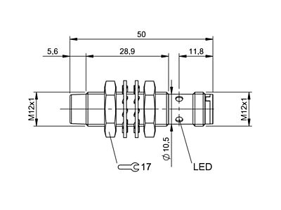
Parametry
- Rozměr: Ø 12 × 50 mm
- Tvar: M12 × 1
- Montáž: nelícující
- Dosah: 4 mm
- Spínací výstup: PNP spínací kontakt (NO)
- Spínací frekvence: 2 500 Hz
- Materiál pouzdra: Mosaz, bez niklu, povlakovaný
- Aktivní plocha, materiál: PBT
- Připojení: Konektory, konektor M12 × 1, 4pólový
- Provozní napětí Ub: 10–30 V DC
- Teplota prostředí: -25...70 °C
- Krytí: IP 68
- Schválení/konformita: CE, cULus, EAC, WEEE
- Značka BALLUFF
- Materiál pouzdra Mosaz
- Okolní teplota -25...70 °C
- Typ elektrického připojení Konektor M12
- Rozsah provozního napětí 10 - 30 V
- Mezní frekvence 2500 Hz
- Stupeň krytí (IP) IP68
- Průměr čidla 12 mm
- Délka snímače 50 mm
- Rozsah měření délky 4 mm
Ke stažení
Všechny obrázky











