Kód ELFETEX
10.042.267
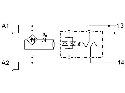
Relé WAGO 788-721 SSR 24VDC 4A
Informace o produktu
Polovodičové relé SSR; Vstupní jmenovité napětí AC/DC 24 V; Rozsah výstupního napětí AC 24–230 V; Mezní trvalý proud 4 A; 2vodičové připojení; Spínání při průchodu nulou; Indikace stavu červená; Konstrukční šířka 15 mm; Šedá
- Značka WAGO
Optočleny
- Jmenovitý pracovní proud Ie 4 A
- Druh vstupního napětí AC / DC
- Druh digitálního výstupu Elektronický
- Rozsah vstupního napětí 15 - 30 V
- Výstupní napětí 12 - 275 V
- S LED indikací Ano
- Typ výstupního napětí AC
Ke stažení
Všechny obrázky































