Kód ELFETEX
11.112.221
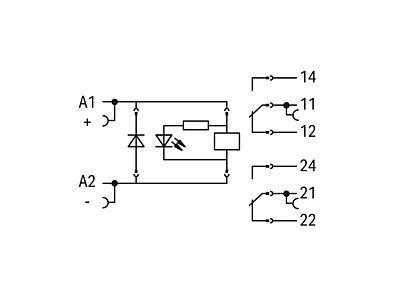
788-347 Relay with 2u DC 48 V
Informace o produktu
Reléový modul; Vstupní jmenovité napětí DC 48 V; 2 přepínací kontakty; Mezní trvalý proud 8 A; S ručním ovládáním; Indikace stavu červená; Konstrukční šířka 15 mm
- Značka WAGO
Spínací relé
- Jmenovitý proud 8 A
- Šířka 15 mm
- Výška 86 mm
- Hloubka 86 mm
- Pohon, polarita Polarizovaný
- Spínání pohonu Monostabilní
- Druh spínacího kontaktu Jednoduchý kontakt
- Kompletní přístroj s paticí Ano
- Typ elektrického připojení Pružinová svorka
- Jmenovité napětí Us při DC 48 - 48 V
- Stupeň krytí (IP) IP20
- S LED indikací Ano
- Typ napětí pro ovládání DC
- Počet přepínacích kontaktů 2
- S odnímatelnými svorkami Ne
- S nuceným vedením kontaktů Ne
Ke stažení
Všechny obrázky































