Kód ELFETEX
                                    11.333.699                                
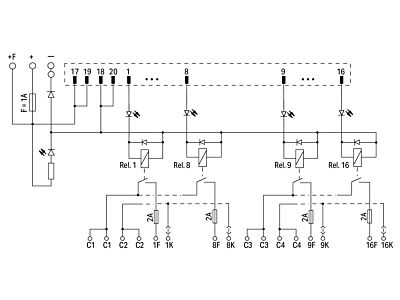
                                            704-5054 16-RE v. INT.24VDC,1NO,20PO v.
Informace o produktu
Propojovací modul pro systémovou kabeláž; Konektor dle DIN 41651; Konektor s pájecími piny; 20pól.; 16kanálový reléový výstup; 1 spínací kontakt; S rozpojovací svorkou a pojistkou; V montážní patici; 2,50 mm²
- Značka WAGO
 
                    Moduly rozhraní pro průmyslové konektory                
                - Způsob montáže DIN lišta 35 mm
 - Šířka 240 mm
 - Výška 105 mm
 - Výška 105 mm
 - Jmenovitý proud 2 A
 - Počet pólů 32
 - Návrh připojení k elektrické síti, strana pole Pružinová svorka
 - Provedení elektrického připojení,stranově řízené Ostatní, jiné
 - Jmenovité napětí 50 V
 - Stupeň znečištění (hodnota) 2
 
Ke stažení
Všechny obrázky
                
                
                
                






























