Kód ELFETEX
11.110.302
704-2003 8 channels with integrated stat
Informace o produktu
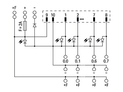
Propojovací modul pro systémovou kabeláž; Konektor dle DIN 41651; Konektor s pájecími piny; 10pól.; 8kanálový binární vstup nebo výstup; 3vodičové připojení; V montážní patici
- Značka WAGO
Moduly rozhraní pro průmyslové konektory
- Způsob montáže DIN lišta 35 mm
- Šířka 56 mm
- Výška 85 mm
- Hloubka 85 mm
- Jmenovitý proud 1 A
- Jmenovité napětí 50 V
- Počet pólů 24
- Návrh připojení k elektrické síti, strana pole Pružinová svorka
- Stupeň znečištění (hodnota) 2
- Provedení elektrického připojení,stranově řízené Ostatní, jiné
Ke stažení
Všechny obrázky























