Kód ELFETEX
10.469.744
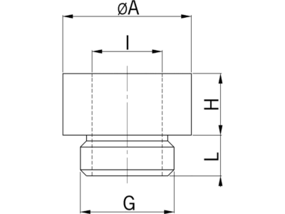
AGRO Expanze mosazná, kruhová, Pg21 / M32
Informace o produktu
Expanze mosazná, kruhová, Pg21 / M32
- Značka AGRO
Rozšíření, redukce
- Niklovaný Ano
- Materiál Mosaz
- Rozměr vnitřního závitu metrický 32
- Typ závitu vnitřní závit Metrický
- Typ závitu vnější závit PG
- Rozměr závitu PG vnější závit 21
Ke stažení
Všechny obrázky











