Kód ELFETEX
10.681.318
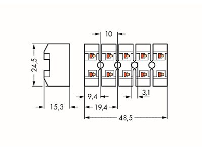
WAGO Svorka 272-754/100-000 pro připojení síťového napětí Tlačítko, externí Se západkami, bílá
Informace o produktu
Svorka pro připojení síťového napětí; Tlačítko, externí; Se západkami; Se šroubovým kontaktem PE; 4pól.; Bílá
- Značka WAGO
Bezšroubové krabicové svorky
- Počet připojovacích míst 16
- Barva Bílá
- Jmenovité napětí 400 V
- Jmenovitý proud 26 A
- Průhledný Ne
- S ovládacími pákami Ne
Všechny obrázky











