Kód ELFETEX
11.084.450
2086-1224/300-000
Informace o produktu
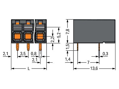
Svorka na desky plošných spojů THR; Tlačítko; 1,5 mm²; Rozteč 3,5 mm; 4pól.; Push-in CAGE CLAMP®; Délka pájecích kontaktů 1,5 mm; Černá
- Značka WAGO
Svorky do plošných spojů
- Výška 7.8 mm
- Barva těla Černá
- Jmenovité napětí 320 V
- Rozsah provozních teplot -60 - 105 °C
- Typ upevnění Pájecí
- Třída hořlavosti izolačního materiálu dle UL94 V0
- Počet pater 1
- Jmenovité výdržné napětí 4 kV
- Kategorie přepětí (hodnota) III
- Stupeň znečištění (hodnota) 2
- Typ připojení vodičů Pružinová svorka
- Typ připojení desky plošných spojů THR připojení
- Délka kolíku 1.5 mm
- Materiál spojovacího povrchu Cín
- Rozteč konektorů 3.5 mm
- Druh bandáže Bez
- Materiál izolačního tělesa Termoplast
- Úhel desky / připojení vodičů 0° / 180° (horizontální)
- Typ upevnění DPS Připojovací kontakt
- Jmenovitý proud In 17.5 A
- Počet elektrických přípojek 4
Všechny obrázky











