Kód ELFETEX
11.084.450
Informace o produktu
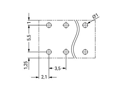
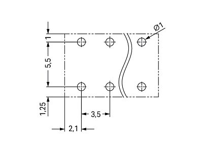
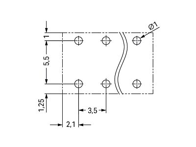
Svorka na desky plošných spojů THR; Tlačítko; 1,5 mm²; Rozteč 3,5 mm; 3pól.; Push-in CAGE CLAMP®; Černá
- Značka WAGO
Svorky do plošných spojů
- Výška 9.3 mm
- Barva těla Černá
- Jmenovité napětí 160 V
- Rozsah provozních teplot -60 - 105 °C
- Typ upevnění Pájecí
- Třída hořlavosti izolačního materiálu dle UL94 V0
- Počet pater 1
- Jmenovité výdržné napětí 2.5 kV
- Kategorie přepětí (hodnota) III
- Stupeň znečištění (hodnota) 2
- Typ připojení vodičů Pružinová svorka
- Typ připojení desky plošných spojů THR připojení
- Délka kolíku 2.4 mm
- Materiál spojovacího povrchu Cín
- Rozteč konektorů 3.5 mm
- Druh bandáže Bez
- Materiál izolačního tělesa Termoplast
- Úhel desky / připojení vodičů 90° (vertikálně nahoru)
- Typ upevnění DPS Připojovací kontakt
- Jmenovitý proud In 17.5 A
- Počet elektrických přípojek 3
Ke stažení
Všechny obrázky











