Kód ELFETEX
10.080.031
Informace o produktu
CEE zásuvka nástěnná odpínatelná s blokováním, Quick-Connect
16A 4p (3P+PE) 500V (480 do 500V~) 7 h IP67
frekvence: 50 a 60Hz
kód barvy: černá RAL 9005
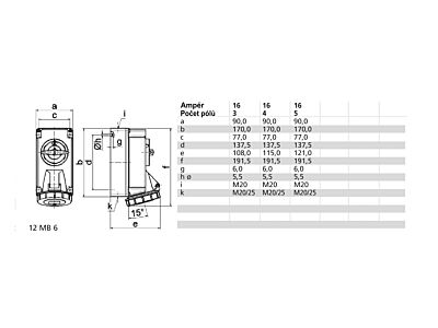
rozměr krytu: výška 170 mm, šířka 90 mm
kontakty: nosič kontaktů je vyroben z materiálu odolného vůči vysokým teplotám, kontakty jsou vyrobeny z mosazi, povrch kontaktů je poniklovaný
maximální průřez vodiče: 4,0 mm2
materiál krytu: polykarbonát
systém připojení: bezšroubové pružinové klecové svorky
přívod kabelu: vrchní vstup M20 spodní vstup M25/20
barva: víčko sklopné černé, bajonetový uzávěr šedý, spodní část pouzdra šedá, horní část pouzdra šedá, ovládací přepínač šedý
rozměry: výška 194 mm, šířka 90 mm, hloubka 115 mm
další technické vlastnosti:
vstup pro kabel 1x nahoře otevřený, 2x dole uzavřený, spínač v pozici 0 uzamykatelný visacím zámkem s průměrem třmenu do 7 mm, 3x otvor pro visací zámek, spodní část pouzdra je možno otočit o 180°
bezšroubové připojení vodičů QUICK-CONNECT je ověřený, trvanlivý, bezpečný a zcela bezúdržbový systém odolný proti nárazům, vibracím a výkyvům teplot. QUICK-CONNECT s optimálně nastaveným přítlakem svorky na připojovaný vodič zcela eliminuje nedostatky šroubových spojení (možnost přetažení, nebo nedotažení šroubků)
barevné označení vstupů, pro správné zapojení jednotlivých vodičů (dodržení sledu fází u třífázové elektrické soustavy)
- Značka BALS
Zásuvky CEE, odpojitelné, s pojistkou
- Provedení Spodní a horní část. kryt
- Spínač Mechanické blokování
- Ochrana Bez
- Počet pólů 4
- Materiál pouzdra Plast
- Proud IEC 16 A
- Typ přepínače Speciální spínače
- Stupeň krytí (IP) IP67
- Pozice na hodinách 7 h
- Barevný kód, Identifikační barva Černá
- Napětí podle ČSN EN 60309-2 500 V (50 Hz 60) černá
- Prázdná místa na nosné liště Ne
- S proudovým chráničem RCCB Ne
- Vojenský model Ne
Všechny obrázky











