Kód ELFETEX
10.032.610
HSAF3/50 S
Recyklační poplatek vč. DPH
2,40 Kč
Informace o produktu
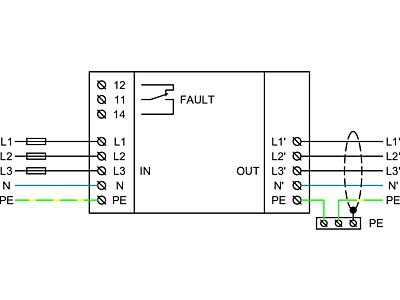
Dvoustupňové svodiče přepětí typu T3 s vysokofrekvenčním filtrem pro sériové zapojení. Určeny pro ochranu elektronických zařízení proti účinkům spínacích, indukovaných a zbytkových přepětí v sítích nn. Obsahují vylepšenou tepelnou pojistku, která při přehřátí varistoru zaručí včasné odpojení HSAF* S a HSAF3*S od napájecí sítě a tím zabrání poškození HSAF* S a HSAF3*S. Instalují se na rozhraní zón LPZ 2 – LPZ 3, co nejblíže k chráněnému zařízení (max. 5 m). Před HSAF* S a HSAF3*S musí být instalován svodič bleskových proudů a přepětí T1 a T2 od společnosti HAKEL. Instalují se k montážní desce rozvaděče pomocí čtyř šroubů. Označení S specifikuje provedení s dálkovou signalizací. Instaluje se dle norem: ČSN EN 62305 ed. 2, ČSN 33 2000-5-534 ed. 2, ČSN CLC/TS 61643-12.
- Značka HAKEL
Přepěťové ochrany přístrojů pro systémy el. napájení
- Způsob montáže Přisazená / zapuštěná montáž
- Jmenovitý proud zátěže 50
- Stupeň ochrany 0.85 kV
- Ochranná úroveň L-N 0.85
- Ochranná úroveň L-PE/N-PE 1.2
- Počet pólů 4
- S kontaktem pro dálkovou signalizaci Ano
- Max.průměr neohebného vodiče (jedno/více žilový) 35 mm²
- Max.průměr ohebného vodiče (jemnožilového) 25 mm²
- Max. trvalé napětí AC 275 V
- Jmenovitý svodový rázový proud (8/20) (L-N) 3
- Jmenovité napětí AC 230 V
- Testovací třída typ 3 Ano
- Signalizace na zařízení Optický
- Stupeň krytí (IP) IP20
- S odrušovacím filtrem Ano
- Celkový odvozený zkratový proud ( 8/20 ) ( L1+L2+L3+N-PE ) 12 kA
Ke stažení
Všechny obrázky











