HLSA25-275/1+1 S
Informace o produktu
- Značka HAKEL
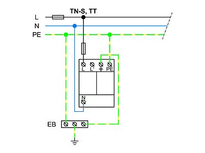
- Forma sítě TN-C-S Ano
- Forma sítě TN-S Ano
- Forma sítě TT Ano
- Počet pólů 2
- Max. trvalé napětí AC 275 V
- Montážní velikost 4 TE
- Dálková signalizace Ano
- Způsob montáže DIN lišta 35 mm
- Bleskový impulsní proud (10/350) 25 kA
- Vyfukovací Ano
- Jmenovité napětí AC 230 V
- Testovací třída Typ 1 a 2
- Ochranná úroveň L-N 1.2 kV
- Signalizace na zařízení Optický
- Stupeň krytí (IP) IP20
- Ochranný znak N-PE 1.3 kV
- Max.průměr neohebného vodiče (jedno/více žilový) 35 mm²
- Max.průměr ohebného vodiče (jemnožilového) 25 mm²
- Specifická energie (W/R) 156 kJ/Ohm
- Energeticky koordinované ochranné působení na koncový přístroj Ano
Ke stažení
Všechny obrázky











