Kód ELFETEX
10.566.273
Svodič HLSA25-275/2+0
Recyklační poplatek vč. DPH
0,75 Kč
Informace o produktu
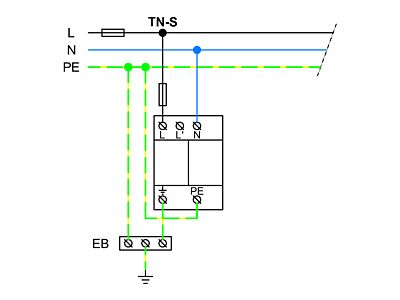
Svodiče impulzních proudů a rázového přepětí typu T1+T2+T3. Výrobky jsou složeny z varistorů s velkou svodovou schopností. V provedení 1+1 a 3+1 a HLSA25G jsou navíc v kombinaci s bleskojistkou, která zajišťuje nulový průsakový proud vodičem PE. Vhodné pro objekty s uvažovanou hladinou ochrany LPL I a LPL II. Instalují se na rozhraní zón LPZ 0 – LPZ 1 a vyšší, co nejblíže vstupu kabelového vedení do objektu - hlavních rozvaděčů. V případě instalace svodiče označeného T1+T2+T3 v hlavním rozvaděči je nezbytné instalovat také svodiče přepětí T2 a T3 v podružných rozvaděčích. Pokud výrobek obsahuje dvě svorky PE (resp. PEN), nesmí být použity jako můstek PE (PEN). Označení S specifikuje provedení s dálkovou signalizací. Instaluje se dle norem: ČSN EN 62305 ed. 2, ČSN 33 2000-5-534 ed. 2, ČSN CLC/TS 61643-12.
- Značka HAKEL
Kombinované svodiče typ 1
- Forma sítě TN-C-S Ano
- Forma sítě TN-S Ano
- Počet pólů 2
- Max. trvalé napětí AC 275 V
- Montážní velikost 4 TE
- Způsob montáže DIN lišta 35 mm
- Bleskový impulsní proud (10/350) 25 kA
- Stupeň ochrany 1.2 kV
- Vyfukovací Ano
- Jmenovité napětí AC 230 V
- Testovací třída Typ 1 a 2
- Signalizace na zařízení Optický
- Stupeň krytí (IP) IP20
- Max.průměr neohebného vodiče (jedno/více žilový) 35 mm²
- Max.průměr ohebného vodiče (jemnožilového) 25 mm²
- Specifická energie (W/R) 156 kJ/Ohm
- Energeticky koordinované ochranné působení na koncový přístroj Ano
Ke stažení
Všechny obrázky











