HAKEL Svodič HLSA12,5-275/4+0
Informace o produktu
- Značka HAKEL
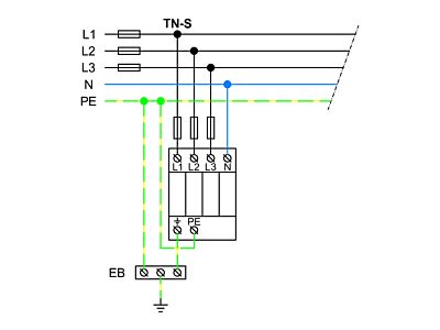
- Forma sítě TN-C-S Ano
- Forma sítě TN-S Ano
- Počet pólů 4
- Montážní velikost 4 TE
- Způsob montáže DIN lišta 35 mm
- Bleskový impulsní proud (10/350) 12.5 kA
- Stupeň ochrany 1.2 kV
- Vyfukovací Ano
- Max. trvalé napětí AC 275 V
- Jmenovité napětí AC 230 V
- Testovací třída Typ 1 a 2
- Signalizace na zařízení Optický
- Stupeň krytí (IP) IP20
- Max.průměr neohebného vodiče (jedno/více žilový) 25 mm²
- Max.průměr ohebného vodiče (jemnožilového) 16 mm²
- Specifická energie (W/R) 39 kJ/Ohm
- Energeticky koordinované ochranné působení na koncový přístroj Ano
Ke stažení
Všechny obrázky











