Kód ELFETEX
10.854.140
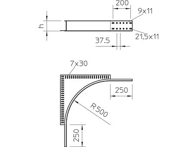
OBO BETTERMANN Rohový vestavný díl WEAS 110 A2
Informace o produktu
Rohový vestavný díl pro kabelové žlaby a žebříky pro velká rozpětí s výškou bočnice 110 mm.
- Značka OBO BETTERMANN
Přídavné T-kusy pro kabelové žlaby
- Povrchová úprava Ostatní, jiné
- Kvalita materiálu Nerezová a kyselinovzdorná ocel
- Materiál Nerez
- Výška kabelového žlabu 110 mm
- Nerezová ocel, mořeno Ne
- Vhodné pro funkční integritu Ne
- Barva Nerez
- Provedení Bez konektoru
- Rozsah provozních teplot - - - °C
- Pro spojení se šrouby Ano
- Pro spojení bez šroubů Ne
Ke stažení
Všechny obrázky











