Kód ELFETEX
10.910.776
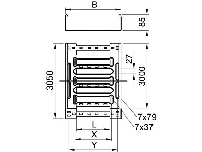
OBO BETTERMANN Kabelový žlab MKSM 850 FT
Informace o produktu
Kabelový žlab s integrovaným rychloupevňovacím systémem. Užitečná délka kabelového žlabu činí 3 000 mm.
Kabelový žlab má nepřetržitou boční perforaci 7 x 20 mm pro instalaci dalších spojovacích a montážních komponent.
Od šířky kabelového žlabu 200 mm s 30% perforací. Podle směrnice VdS 2092 tedy vhodný i pro použití ve sprinklerových systémech.
- Značka OBO BETTERMANN
Kabelové žlaby /kabelové žlaby se širokým rozpětím
- Výška 85 mm
- Šířka 500 mm
- Tloušťka materiálu 1 mm
- Délka 3050 mm
- Efektivní průřez 42300 mm²
- Provedení Zabudovaný konektor
- Materiál Ocel
- Povrchová úprava Pozinkování žárové
- Boční perforace Ano
- Montážní díry v podlaze Ano
- Hmotnost 4 kg/m
- Perforace NATO Ne
- Vhodné pro funkční integritu Ne
- s krytem Ne
- Typ zátěžového testu podle IEC 61537 Typ II
- Barva Zinek
- Pracovní délka 3000 mm
- Možná rozteč podpěr 1.5 - 2.5 m
- Bezpečné pracovní zatížení podle IEC 61537 při rozteči podpěr 1,5 m 1400 N/m
- Bezpečné pracovní zatížení podle IEC 61537 při rozteči podpěr 2,0 m 1100 N/m
- Bezpečné pracovní zatížení podle IEC 61537 při rozteči podpěr 2,5 m 850 N/m
- Rozsah provozních teplot - - - °C
- Typ připojení Připevnění naklapnutím
Ke stažení
Všechny obrázky















