Kód ELFETEX
10.735.660
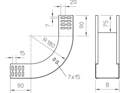
OBO BETTERMANN Svislý oblouk 90 - stoupací RBV 610 S FT
Informace o produktu
Svislý oblouk 90° ve stoupajícím provedení pro všechny typy kabelových žlabů s výškou bočnice 60 mm.
- Značka OBO BETTERMANN
Oblouky pro kabelové žlaby
- Provedení Bez konektoru
- Povrchová úprava Pozinkování žárové
- Tloušťka materiálu 1 mm
- Materiál Ocel
- Šířka kabelového žlabu 100 mm
- Výška kabelového žlabu 60 mm
- Změna směru Vertikálně stoupající
- Boční perforace Ne
- Úhel (hodnota) 90°
- Montážní díry v podlaze Ne
- Perforace NATO Ne
- Nerezová ocel, mořeno Ne
- Vhodné pro funkční integritu Ano
- Barva Zinek
Ke stažení
Všechny obrázky











