Kód ELFETEX
10.854.140
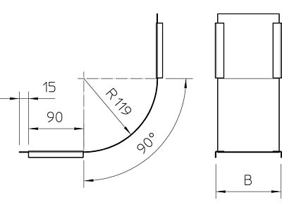
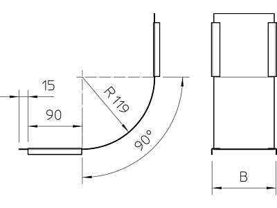
OBO BETTERMANN Víko svislého oblouku - vnitřní DBV 100 S A2
Informace o produktu
Víko pro všechny stoupající svislé oblouky.
- Značka OBO BETTERMANN
Víka oblouku pro kabelový nosný systém
- Šířka 100 mm
- Typ upevnění Klip krytu
- Materiál dutinky Nerez
- Povrchová úprava Bez povrchové úpravy
- Změna směru Vertikálně stoupající
- Vhodné pro kabelový žlab Ano
- Ohybný Ne
- Úhel (hodnota) 90°
- Kvalita materiálu Nerezová ocel 304 (1.4301)
- Vhodné pro mřížkový žlab Ne
- Vhodné pro kabelový žebřík Ne
- Vhodné pro funkční integritu Ne
- Barva Nerez
Ke stažení
Všechny obrázky











