Kód ELFETEX
10.735.660
OBO BETTERMANN Svislý oblouk 90 RBV 650 F A2
Informace o produktu
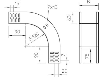
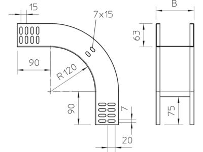
Svislý oblouk 90° v klesajícím provedení pro všechny typy kabelových žlabů s výškou bočnice 60 mm.
- Značka OBO BETTERMANN
Oblouky pro kabelové žlaby
- Změna směru Vertikálně klesající
- Výška kabelového žlabu 60 mm
- Šířka kabelového žlabu 500 mm
- Tloušťka materiálu 1 mm
- Provedení Bez konektoru
- Materiál Nerez
- Povrchová úprava Ostatní, jiné
- Boční perforace Ne
- Úhel (hodnota) 90°
- Kvalita materiálu Nerezová a kyselinovzdorná ocel
- Montážní díry v podlaze Ne
- Perforace NATO Ne
- Nerezová ocel, mořeno Ne
- Vhodné pro funkční integritu Ne
- Barva Nerez
- Rozsah provozních teplot -20 - 120 °C
- Konstrukční typ Oblouk napevno
- Vnitřní poloměr 120 mm
- s krytem Ne
- Pro spojení se šrouby Ano
- Pro spojení bez šroubů Ne
- Provedení oblouku hladký oblouk
Ke stažení
Všechny obrázky











