Kód ELFETEX
10.735.660
OBO BETTERMANN Svislý oblouk 90 RBV 660 S A2
Informace o produktu
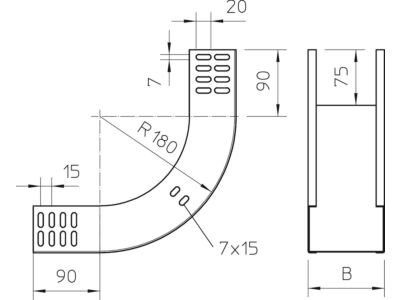
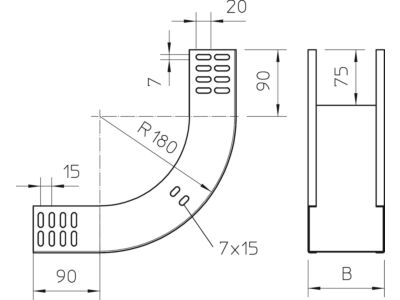
Svislý oblouk 90° ve stoupajícím provedení pro všechny typy kabelových žlabů s výškou bočnice 60 mm.
- Značka OBO BETTERMANN
Oblouky pro kabelové žlaby
- Změna směru Vertikálně stoupající
- Výška kabelového žlabu 60 mm
- Šířka kabelového žlabu 600 mm
- Tloušťka materiálu 1 mm
- Provedení Bez konektoru
- Materiál Nerez
- Povrchová úprava Ostatní, jiné
- Boční perforace Ne
- Úhel (hodnota) 90°
- Kvalita materiálu Nerezová a kyselinovzdorná ocel
- Montážní díry v podlaze Ne
- Perforace NATO Ne
- Nerezová ocel, mořeno Ne
- Vhodné pro funkční integritu Ne
- Barva Nerez
- Rozsah provozních teplot - - - °C
Ke stažení
Všechny obrázky











