Kód ELFETEX
10.065.183
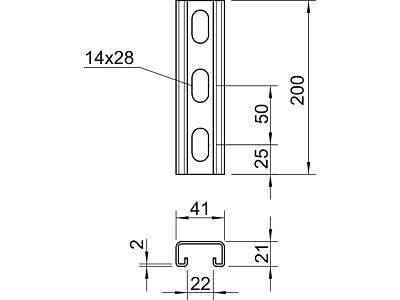
OBO BETTERMANN Profilová lišta MS4121P0200FT
Informace o produktu
Těžká profilová lišta C pro individuální instalaci nosných konstrukcí, např. pro kabelové žlaby nebo jako konzola pro skříňové rozvaděče. Lze použít také k ukládání kabelů, ve spojení s třmenovými příchytkami s patkou U.
- Značka OBO BETTERMANN
Závěsné /profilové lišty
- Délka 200 mm
- Šířka 41 mm
- Výška 21 mm
- Tloušťka materiálu 2 mm
- Tvar profilů C-profil
- Typ perforace Perforovaný hřbet
- Materiál dutinky Ocel
- Povrchová úprava Pozinkování žárové
- S ozubením Ano
- Odporový moment Wy 0.89 cm³
- Odporový moment Wz 2.2 cm³
- Oblast momentu setrvačnosti Iy 0.95 cm4
- Oblast momentu setrvačnosti Iz 4.51 cm4
- Hmotnost 0.3 kg
- Vhodné pro funkční integritu Ano
Ke stažení
Všechny obrázky














