Kód ELFETEX
11.113.371
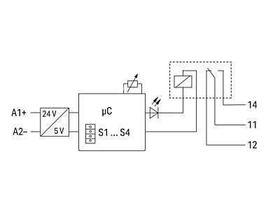
857-604 Časové relé 24V DC 1U
Informace o produktu
Modul časového relé; Jmenovité vstupní napětí: 24 V DC; Mezní trvalý proud 6 A; Drážní aplikace; Multifunkční; Indikace stavu, žlutá; Konstrukční šířka 6 mm; Šedá
- Značka WAGO
Časová relé
- Jmenovitý proud 6 A
- Šířka 6 mm
- Výška 94 mm
- Hloubka 94 mm
- Funkce zpožděné odezvy Ano
- Přechodný kontakt zapnutím Ano
- Přechodný kontakt vypnutím Ano
- Typ elektrického připojení Pružinová svorka
- Jmenovité napětí Us při DC 24 - 24 V
- Zpožděné přepínací kontakty 1
- Vhodné pro montáž na DIN lištu Ano
- Typ napětí pro ovládání DC
- Možnost dálkového ovládání Ne
- Vhodné pouze pro dálkové ovládání Ne
- Blikač zač.pauzou pev.impulz Ne
- Blikač zač.impulzem pev.impulz Ne
- Takt zač.pauzou var.impuls Ne
- Takt zač.impulzem var.impulz Ne
- S polovodičovým výstupem Ne
- Funkce hvězda / trojúhelník Ne
- Funkce zpožděného odpadu Ne
- Funkce formování impulsu Ne
- Připojitelné na stykač Ne
- Výstupy, přepínatelné zpožděné / nezpožděné Ne
Ke stažení
Všechny obrázky































