Kód ELFETEX
10.854.140
OBO BETTERMANN Víko pro oblouk - stoupací DBV 200 S DD
Informace o produktu
Víko pro všechny stoupající svislé oblouky.
- Značka OBO BETTERMANN
Víka oblouku pro kabelový nosný systém
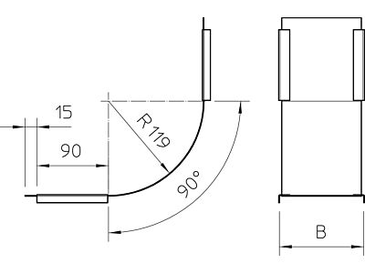
- Šířka 200 mm
- Typ upevnění Klip krytu
- Materiál dutinky Ocel
- Povrchová úprava Zinkohliník průběžně pozinkovaný
- Změna směru Vertikálně stoupající
- Vhodné pro kabelový žlab Ano
- Ohybný Ne
- Úhel (hodnota) 90°
- Vhodné pro mřížkový žlab Ne
- Vhodné pro kabelový žebřík Ne
- Vhodné pro funkční integritu Ne
- Barva Zinek
Ke stažení
Všechny obrázky











