Kód ELFETEX
10.735.660
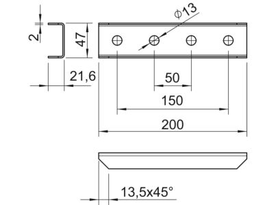
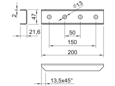
OBO BETTERMANN Spojka pro lištu MS 41 podélná GVMS 4 ASV FT
Informace o produktu
Z vnějšku přesahující spojka se čtyřmi otvory pro podélné spojení profilových lišt 41 × 41 mm a 41 × 21 mm
- Značka OBO BETTERMANN
Spojky na závěsnou /profilovou lištu
- Vhodné pro C-profil
- Provedení Vnější spojka
- Materiál dutinky Ocel
- Povrchová úprava Pozinkování žárové
- S příslušenstvím šroubováku Ne
- Nerezová ocel, mořeno Ne
Ke stažení
Všechny obrázky











