Kód ELFETEX
10.075.160
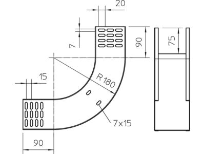
OBO BETTERMANN Vertikální oblouk RBV 810 S FS
Informace o produktu
Svislý oblouk 90° ve stoupajícím provedení pro všechny typy kabelových žlabů s výškou bočnice 85 mm.
- Značka OBO BETTERMANN
Oblouky pro kabelové žlaby
- Změna směru Vertikálně stoupající
- Výška kabelového žlabu 85 mm
- Šířka kabelového žlabu 100 mm
- Tloušťka materiálu 1 mm
- Provedení Bez konektoru
- Materiál Ocel
- Povrchová úprava Průběžně pozinkované
- Boční perforace Ne
- Úhel (hodnota) 90°
- Montážní díry v podlaze Ne
- Perforace NATO Ne
- Nerezová ocel, mořeno Ne
- Vhodné pro funkční integritu Ne
- Barva Zinek
- Rozsah provozních teplot - - - °C
- Pro spojení se šrouby Ano
- Pro spojení bez šroubů Ne
Ke stažení
Všechny obrázky












